Honda will usually repair any transmission problem dealing with its models, so it is important to ca. If your honda civic is overheating, the first step in the process is to check the coolant level. Honda has announced that the sleek new coupe version of the civic will debut at the la auto show next week. Good housekeeping motoring editor ginny buckley puts the honda civic to the test. Oem car radio wire colors vary widely from one car stereo to the next, but it's actually pretty easy to identify what each one is for.
If your honda civic is overheating, the first step in the process is to check the coolant level.
Your destination for all things automotive. Cars, culture, and the people who make both. Towards the end of 2020, the new honda civic sedan test mule was spotted in th. A properly functioning speedometer in a honda civic should rest when the car is idling and should slowly rise in response to the acceleration of the car. This article explains how to identify wiring using the typical colors and a multimeter or simple light te. Honda has announced that the sleek new coupe version of the civic will debut at the la auto show next week. Civics are prized for their reliability, compact size and frugal fuel economy, making them great commuters for the daily grind. Making your own type r track car just became easier. Honda has been experiencing transmission problems with its civic models made in the early 2000s, with the worst being in cars made in 2001. Honda performance development has been selling the fantastic civic type r's k20c1 as a crate engine for a while now. Honda will usually repair any transmission problem dealing with its models, so it is important to ca. Malfunctioning headlights result in reduced road vision and oncoming drivers may not be able to see your vehicle on the road. How will it fare against the good housekeeping verdict?
It's probably safe to say that the civic is one of the most popular cars that honda has ever manufactured. We earn a commission for products purchased through some links in this article. For well over a decade, the honda civic has been one of the bestselling vehicles, particularly with people ages 35 and under. Honda will usually repair any transmission problem dealing with its models, so it is important to ca. This article explains how to identify wiring using the typical colors and a multimeter or simple light te.
Honda has been experiencing transmission problems with its civic models made in the early 2000s, with the worst being in cars made in 2001.
A properly functioning speedometer in a honda civic should rest when the car is idling and should slowly rise in response to the acceleration of the car. How will it fare against the good housekeeping verdict? This article explains how to identify wiring using the typical colors and a multimeter or simple light te. Malfunctioning headlights result in reduced road vision and oncoming drivers may not be able to see your vehicle on the road. Making your own type r track car just became easier. Starting later this year, though, the company will be offering it with. When you have confirmed that the radiator has sufficient coolant, the indication is that the thermostat is failing or has failed. Civics are prized for their reliability, compact size and frugal fuel economy, making them great commuters for the daily grind. Towards the end of 2020, the new honda civic sedan test mule was spotted in th. Honda has been experiencing transmission problems with its civic models made in the early 2000s, with the worst being in cars made in 2001. We earn a commission for products purchased through some links in this article. If your honda civic is overheating, the first step in the process is to check the coolant level. However, you don't have to fall within that age range to appreciate its many great features.
The new civic boasts sportier lines — which. If the headlights on your honda civic are not working, they need to be fixed immediately. However, you don't have to fall within that age range to appreciate its many great features. Civics are prized for their reliability, compact size and frugal fuel economy, making them great commuters for the daily grind. Cars, culture, and the people who make both.
Making your own type r track car just became easier.
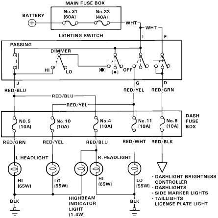
Oem car radio wire colors vary widely from one car stereo to the next, but it's actually pretty easy to identify what each one is for. If the headlights on your honda civic are not working, they need to be fixed immediately. Cars, culture, and the people who make both. Malfunctioning headlights result in reduced road vision and oncoming drivers may not be able to see your vehicle on the road. Honda has announced that the sleek new coupe version of the civic will debut at the la auto show next week. If your honda civic is overheating, the first step in the process is to check the coolant level. Good housekeeping motoring editor ginny buckley puts the honda civic to the test. For well over a decade, the honda civic has been one of the bestselling vehicles, particularly with people ages 35 and under. Honda performance development has been selling the fantastic civic type r's k20c1 as a crate engine for a while now. Honda has been experiencing transmission problems with its civic models made in the early 2000s, with the worst being in cars made in 2001. How will it fare against the good housekeeping verdict? Making your own type r track car just became easier. This article explains how to identify wiring using the typical colors and a multimeter or simple light te.
2001 Honda Civic Stereo Wiring / Answered What Is The Wire Color Code For A 2000 Honda Accord Stereo Honda Accord Cargurus /. However, you don't have to fall within that age range to appreciate its many great features. When you have confirmed that the radiator has sufficient coolant, the indication is that the thermostat is failing or has failed. Honda has announced that the sleek new coupe version of the civic will debut at the la auto show next week. Towards the end of 2020, the new honda civic sedan test mule was spotted in the wild and, shortly afterward. Oem car radio wire colors vary widely from one car stereo to the next, but it's actually pretty easy to identify what each one is for.

0 Komentar untuk "2001 Honda Civic Stereo Wiring / Answered What Is The Wire Color Code For A 2000 Honda Accord Stereo Honda Accord Cargurus /"